
【 微信掃碼咨詢 】
13534248169
0755-23505442

10噸多介質過濾器是需要定期進行反洗的,反洗有利于穩定10噸多介質過濾器的運行狀態,提高濾料的過濾效率,提高產水水質。接下來就為大家介紹一下10噸多介質過濾器反洗方法和步驟。 10噸多介質過濾器反洗 前的準備 1.對10噸 多介質過濾器 系統進行停運,關閉正常產水系統,檢查10噸多介質過濾器是...
了解詳情
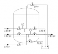
多介質過濾器 結構簡單,操作簡便,通常用于工業水處理預處理環節,尤其是在大型的工業循環水處理系統中,第一步通常是多介質過濾器。接下來主要介紹一下多介質過濾器內部結構圖。 多...
了解詳情
全自動多介質過濾器主要是以濾料作為過濾介質的過濾設備,全自動多介質過濾器過濾精度 相較與其他保安過濾器或袋式過濾器來說,精度要低的多。全自動多介質過濾器的過濾精度受很多因素的影響,包括濾料類型,濾料厚度,濾料粒徑等。接下來主要為大家介紹一下全自動多介質過濾器過濾精度及其...
了解詳情
30噸多介質過濾器內部裝填幾種濾料是根據進水情況來確定的,一般是裝填2種或2種以上濾料。...
了解詳情
全自動多介質過濾器包括自動過濾,自反洗,自動報警等功能,只需要提前在控制箱輸入參數,多介質過濾器便可自行運行,效率高,使用壽命長,是工業前置過濾的理想產品。 全自動多介質過濾器供應商廠家很多,不同的廠家,產品特點不同,質量也不同,價格更加不同。選擇全自動多介質過濾器供應...
了解詳情
多介質過濾器的罐體材料有很多,主要包括碳鋼,鋼制襯膠,不銹鋼等材質。不同的材質,價格不同,制成的多介質過濾器使用性能和使用壽命均有所不同。接下來由水天藍環保給大家介紹一下多介質過濾器制造材料及選擇方法。 多介質過濾器制造材料分類 多介質過濾器 結構很簡單,由罐體和濾料組成...
了解詳情
多介質過濾器填料高度不是固定的,主要根據實際使用情況來決定的。一般來說,最高填料高度要在罐體體積70%以內。這樣能保證多介質過濾器的有序運行。...
了解詳情